Test A.
1. The following materials were supplied
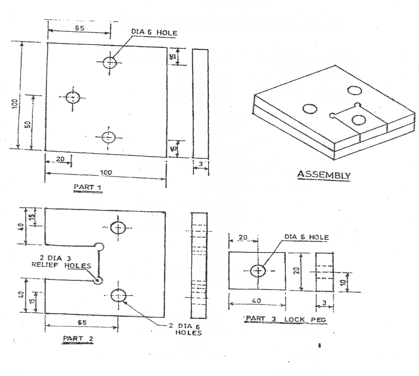
(a) One piece mild steel plate , 103mm x103mm x3mm, 2 off (for parts 1 and 2);
(b) One mild steel plate, 43mm x 23mm x3mm, 1 off (for part 3);
(c) One piece mild steel rod,

6 mm x6mm, 3 off;
the finished work;
(d) One cotton bag 150mm x 150mm to enclose
(e)
Two tie-on labels.

- The diagram above shows detailed views of each part of a fitting exercise and
the assembly. Using the materials supplied, prepared the parts and assemble
the pieces.