waecE-LEARNING
Metal Works Paper 1, Nov/Dec. 2011  
Questions: 1 2 Main
General Comments
Strength
Weakness/Remedies

Question 2

Test B

1.         The following materials were supplied:

            (a)        one piece free cutting mild steel rod, 80mm x ø50 mm long;
            (b)        one cotton bag 100 mm x 80 mm to enclose the finished work;
            (c)        two tie-on labels.

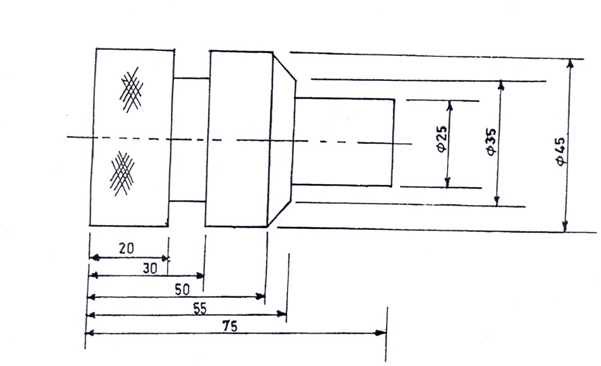
2.         The diagram below shows a detailed view of a machine part.  Produce the part using the material supplied.

 

NOTE

NOT DRAWN TO SCALE
ALL DIMENSIONS IN MM
TOLERANCE ± 0.5mm

_____________________________________________________________________________________________________
OBSERVATION

Only two candidates attempted this machining exercise and they performed excellently well.

Powered by Sidmach Technologies(Nigeria) Limited .
Copyright © 2015 The West African Examinations Council. All rights reserved.